36V Motor Driver
36V Brushless Motor Driver
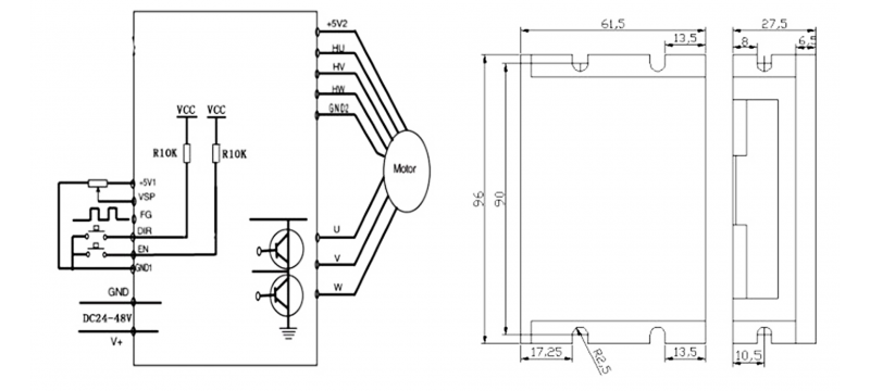
This motor driver has the property of high torque and output RPM. Moreover, it can detect the revolution of your motor and provides a pulse signal with corresponding frequencies.
Consult the datasheet for more specifications.
| Hardware Info | |
|---|---|
| Size | 96*61.5*27.5mm |
| Weight | about 150g |
| Input Voltage | DC 18~50V |
| Input Ports | 16 ports |
| Maximum Shock Resistance | 5.9m/s2 MAX |
| Specification | Under 25∘C |
|---|---|
| Rated Current (A) | 5 |
| Rated Power (W) | 240 |
| Suitable Motor Power (W) | <180 |
| Insulation Resistance (ohm) | >500 |
| Insulation Strength (KV/min) | 0.5 |
| Maximum Revolution (RPM/min) | 10000 |
36V Motor Driver
C$21.0
- Deliver Time: Available, 7~14 Days
- Product ID: RBASD36
| Note:
We also support custom made service as your requirements. For more details, please contact us. |